If you need any help, please feel free to contact us
If you have any further questions, please call +86-021-37566990 or fill out the inquiry form.
Get couponsThe LF80A electronic liquid level switch detects the water level through a built-in electronic probe. The signal is then processed by a chip, which outputs a high level (24V or 5V, etc., for PNP type) when water is detected, and outputs 0V when no water is detected. The high or low signal is read by a PLC or other control circuit, which then controls the operation of pumps or other electrical devices.
Under the buoyancy of the liquid, the float moves up and down along the guide rod, continuously triggering magnetic switches inside the rod. The magnetic switches control the number of connected or disconnected resistors, converting the liquid level change into resistance variation. The resistance value is processed by the rear circuit and then converted into a standard electrical signal output.
Power Supply Voltage: 12...30Vdc
No-load Current Consumption: Max. 30mA at 24Vdc supply
Switch Output:
Output Type: PNP or NPN optional, normally open or normally closed selectable
S1, S2 Output Current: <500mA
Response Time: <10ms
Load RA: ≤0.5KOhm
Linearity: ≤1.5% of range
Wiring Protection: Reverse polarity, overload, short-circuit protection
Stability (Annual Drift): ≤±0.3% of range
Temperature:
Medium Temperature: -20...80℃
Ambient Temperature: -20...80℃
Storage Temperature: -30...80℃
Materials:
Housing: Stainless steel 304
Wetted Parts: Stainless steel 304
Protection Grade: IP65
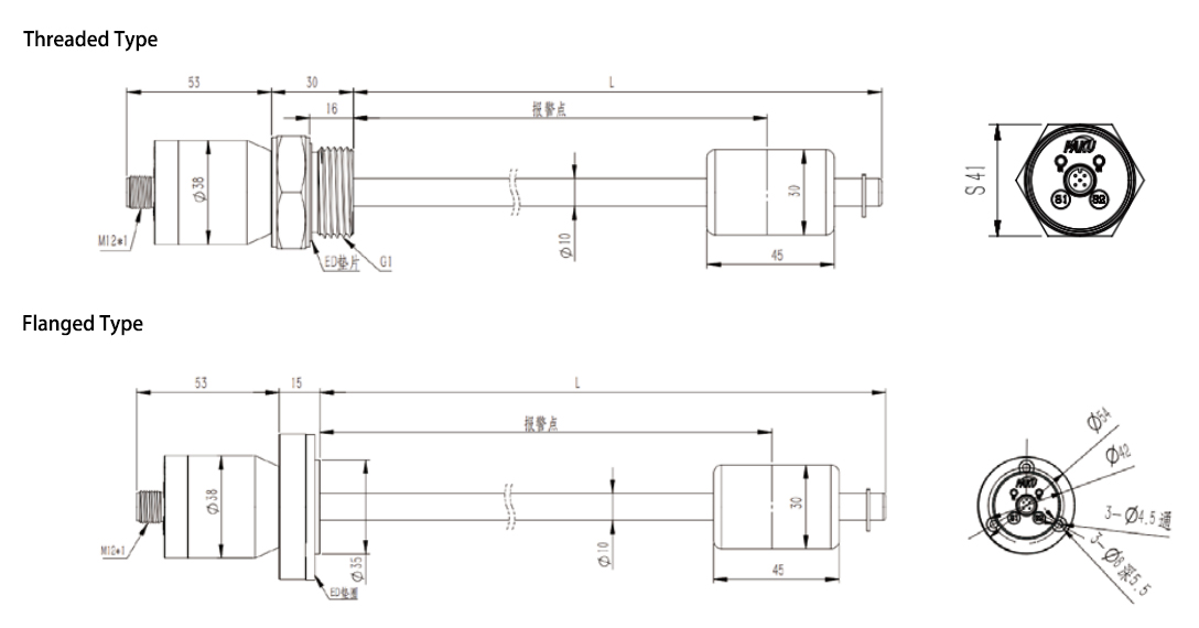
Cable Connection: M12x1 connector


| LF80A- | P | L.. | N.. | F.. | G1H | Q | Details | |||||||||
| LF80A- | LF80A Series Electronic Liquid Level Switch | |||||||||||||||
| P | PNP Output | |||||||||||||||
| L | Custom Range: L = mm | |||||||||||||||
| S1 Alarm Point Setting | N.. | Normally Open, e.g., 100mm normally open, Selection Code: N100 | ||||||||||||||
| F.. | Normally Closed, e.g., 100mm normally closed, Selection Code: F100 | |||||||||||||||
| S2 Alarm Point Setting | N.. | Normally Open, e.g., 300mm normally open, Selection Code: N300 | ||||||||||||||
| F.. | Normally Closed, e.g., 300mm normally closed, Selection Code: F300 | |||||||||||||||
| G1H | External Thread Interface: G1/4 | |||||||||||||||
| D | Flange Connection | |||||||||||||||
| Custom Thread | ||||||||||||||||
| Q | M12*1 Connector | |||||||||||||||
| * The selection table is for parameter selection only. The product is shipped according to the parameter-matched code. | ||||||||||||||||
Shanghai Kayuan Electronic Technology Co.,Ltd is an enterprise specializing in the production and R & D of industrial sensors and controllers. Its main products include switches and sensors for flow, pressure, temperature, and liquid level. Electronic Liquid Level Switch-LF80A Suppliers in China.
In 2008, our assembly plant was established in Shanghai China,PAKU INTELLIGENT EQUIPMENT(SHANGHAI)CO.,LTD a subsidiary of Kayuan to produce the PAKU series of products. As Electronic Liquid Level Switch-LF80A Factory, PAKU products are now widely used in different industries, including automation complete sets of equipment, petroleum equipment, chemical equipment, power equipment, welding equipment, steel equipment, metallurgical equipment, automobiles, and water treatment. We adopt advanced technology and manufacturing processes across the board. With our professional design and production technology, comprehensive product lines, excellent quality, and sales network services, we can not only provide users with timely and professional technical support but also offer high - quality one - stop services.
We have served many customers at home and abroad, and offer Electronic Liquid Level Switch-LF80A Wholesale, our products are sold to countries such as Canada, the United States, Brazil, Indonesia, Vietnam, Thailand, and Russia. We welcome extensive cooperation with OEM and ODM customers.