If you need any help, please feel free to contact us
If you have any further questions, please call +86-021-37566990 or fill out the inquiry form.
Get couponsThe ultrasonic sensor mainly consists of a transmitting section, receiving section, control section, and power supply section.
Among them, the transmitting section is composed of a transmitter and a transducer. The transducer can convert the energy generated when the piezoelectric chip vibrates under voltage excitation into ultrasonic waves, which are then emitted by the transmitter.
The receiving section consists of a transducer and an amplification circuit. The transducer receives the reflected ultrasonic waves. As mechanical vibration occurs when receiving ultrasonic waves, the transducer converts mechanical energy into electrical energy, which is then amplified by the amplification circuit.
The control section manages the entire operating system. It first controls the transmitter to emit ultrasonic waves, then controls the receiver to determine whether the received signal is the ultrasonic wave it emitted, and finally identifies the strength of the received ultrasonic signal.
The power section provides power to the entire system. Under the effect of the power supply and control section, the transmitter and receiver work in coordination to fulfill the sensor’s required function.



| Product Model | LF91B-AD4-H5 | LF91B-BD4-H5 | LF91B-AD6-H5 | LF91B-BD6-H5 | LF91B-ADI-H5 | LF91B-BDI-H5 | ||||||||||||||||||
| LF91B-AD5-H5 | LF91B-BD5-H5 | LF91B-AD7-H5 | LF91B-BD7-H5 | LF91B-ADU-H5 | LF91B-BDU-H5 | |||||||||||||||||||
| Detection Range | 50...500mm | 80...2000mm | 50...500mm | 80...2000mm | 50...500mm | 80...2000mm | ||||||||||||||||||
| Blind Zone | 0...50mm | 0...80mm | 0...50mm | 0...80mm | 0...50mm | 0...80mm | ||||||||||||||||||
| Transducer Frequency | Approx. 380KHz | Approx. 180KHz | Approx. 380KHz | Approx. 180KHz | Approx. 380KHz | Approx. 180KHz | ||||||||||||||||||
| Response Time | Approx. 50ms | Approx. 150ms | 21ms minimum | 65ms minimum | 21ms minimum | 65ms minimum | ||||||||||||||||||
| Switching Frequency (Standard Target Plate: 100mm × 100mm) | ≤10 Hz | ≤3.3 Hz | ≤7 Hz | ≤2.5 Hz | 100mm* 100mm | |||||||||||||||||||
| Output Type | D4: NPN, NO/NC selectable | D6: Two PNP switch outputs, NO/NC selectable | DI: 4..20mA current output | |||||||||||||||||||||
| D5: PNP, NO/NC selectable | D7: Two NPN switch outputs, NO/NC selectable | DU: 0–10V voltage output | ||||||||||||||||||||||
| Rated Operating Current | 200mA (short-circuit protection / overload protection) | 2×100mA (short-circuit protection / overload protection) | ≤900 mW | |||||||||||||||||||||
| Operating Voltage | 10–30V DC, ripple 10% | 15–30V DC, ripple 10% | ||||||||||||||||||||||
| Repeat Accuracy | ≤0.5% | ≤0. 1% | ±0.1% of full-scale value | |||||||||||||||||||||
| Range Adjustment | Adjustable far/near range via adjustment wire | |||||||||||||||||||||||
| Protection Class | IP65 | |||||||||||||||||||||||
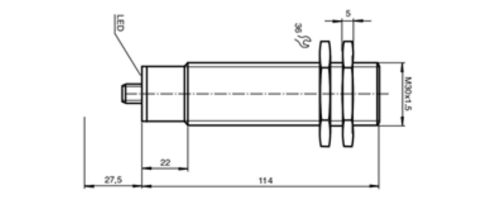
| Connection Method | H5 (5-pin) M12 connector / 2m PVC cable | |||||||||||||||||||||||
| Yellow LED | ON = switch state output; Flashing = setting | |||||||||||||||||||||||
| Red LED | Error in operation; Target not detected during setting | |||||||||||||||||||||||
Shanghai Kayuan Electronic Technology Co.,Ltd is an enterprise specializing in the production and R & D of industrial sensors and controllers. Its main products include switches and sensors for flow, pressure, temperature, and liquid level. Ultrasonic Sensor - LF91B Suppliers in China.
In 2008, our assembly plant was established in Shanghai China,PAKU INTELLIGENT EQUIPMENT(SHANGHAI)CO.,LTD a subsidiary of Kayuan to produce the PAKU series of products. As Ultrasonic Sensor - LF91B Factory, PAKU products are now widely used in different industries, including automation complete sets of equipment, petroleum equipment, chemical equipment, power equipment, welding equipment, steel equipment, metallurgical equipment, automobiles, and water treatment. We adopt advanced technology and manufacturing processes across the board. With our professional design and production technology, comprehensive product lines, excellent quality, and sales network services, we can not only provide users with timely and professional technical support but also offer high - quality one - stop services.
We have served many customers at home and abroad, and offer Ultrasonic Sensor - LF91B Wholesale, our products are sold to countries such as Canada, the United States, Brazil, Indonesia, Vietnam, Thailand, and Russia. We welcome extensive cooperation with OEM and ODM customers.