If you need any help, please feel free to contact us
If you have any further questions, please call +86-021-37566990 or fill out the inquiry form.
Get couponsThe LF601 series adopts magnetic induction technology sensors for liquid level measurement.
The signal is processed by the rear processing circuit and converted into a standard industrial electrical signal output and display.
Under the buoyancy of the liquid, the float moves up and down along the guide rod, continuously triggering the magnetic switch in the guide rod.
The magnetic switch controls the number of resistances that are turned on or off, converting the liquid level change into a resistance change.
The resistance value is processed by the rear circuit and then converted into a standard electrical signal output and display.
Full metal housing design
Adopts LCD digital display, making this series of products suitable for various industrial applications.
Dual-button design and user-friendly menu make the product easier to operate.
Multiple connection methods can fully meet various specific installation requirements.
The display head can be rotated 330° to ensure the best viewing angle under different installation methods.
Measuring range: User-defined
Measuring medium: Corrosive compatible
Pressure resistance: 50bar
Medium density: ≥0.7g/cm³
Power supply voltage: 12...30Vdc
No-load current consumption: Max 30mA at 24Vdc supply
Switch output: Output type: PNP/NPN switchable, selectable NO/NC, configurable S1, S2
Output current: <500mA
Response time: <10ms
Resolution: 5, 10mm
Current type analog output: ≤±0.5% FS
Output type: 4...20mA configurable
Load RA: ≤0.5KOhm
Linearity: ≤1.5% FS
Wiring protection: Reverse polarity, overload, short-circuit protection
Display:
Design: Red 4-digit 8mm high-brightness LED
Display range: 999...9999
Stability (annual drift): ≤±0.3% FS
Temperature:
Medium temperature: -20...80℃
Ambient temperature: -20...80℃
Storage temperature: -30...80℃
Material:
Display head shell: Engineering plastic
Housing: Stainless steel 304
Medium contact parts: PFA corrosion-resistant material
Float: PFA corrosion-resistant material
Protection grade: IP56
Cable outlet: M12x1 connector
Food / Pharmaceutical
Power Plant
Petrochemical
Pulp / Paper
Water Treatment
Boiler

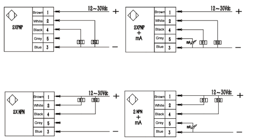
|
Pin |
Cables | Signal |
| 1 | Brown | 24v+ |
| 2 | White | S2 |
| 3 | Blue | 24V- |
| 4 | Black | S1 |
| 5 | Grey | mA |

| LF601- | A | P | A | S | A | F5 | L | B | Details | ||||||||
| LF601- | LF601 Series Electronic Liquid Level Switch Sensor | ||||||||||||||||
| A | 2 switch outputs | ||||||||||||||||
| B | 2 switch outputs + 1 analog output 4-20mA | ||||||||||||||||
| C | 2 switch outputs + 1 analog output 1-5V | ||||||||||||||||
| D | 2 switch outputs + 1 analog output 0-10V | ||||||||||||||||
| P | PNP output | ||||||||||||||||
| N | NPN output | ||||||||||||||||
| A | Oil command connection (default DN40) | ||||||||||||||||
| B | Flange connection | ||||||||||||||||
| A | Probe material: PFA | ||||||||||||||||
| B | Probe material: PP | ||||||||||||||||
| B | Float material: PFA | ||||||||||||||||
| P | Float material: PP | ||||||||||||||||
| F5 | Resolution: 5mm | ||||||||||||||||
| F10 | Resolution: 10mm | ||||||||||||||||
| L | Measuring range: L = mm (unit) | ||||||||||||||||
| S | M12*1 connector (standard 2m cable) | ||||||||||||||||
| * The selection table is for parameter selection only, and the factory code is based on parameter correspondence. * The alarm point decreases in value as the electronics move toward the end of the tank. | |||||||||||||||||
Shanghai Kayuan Electronic Technology Co.,Ltd is an enterprise specializing in the production and R & D of industrial sensors and controllers. Its main products include switches and sensors for flow, pressure, temperature, and liquid level. Anti-corrosion electronic liquid level switch sensor-LF601 Suppliers in China.
In 2008, our assembly plant was established in Shanghai China,PAKU INTELLIGENT EQUIPMENT(SHANGHAI)CO.,LTD a subsidiary of Kayuan to produce the PAKU series of products. As Anti-corrosion electronic liquid level switch sensor-LF601 Factory, PAKU products are now widely used in different industries, including automation complete sets of equipment, petroleum equipment, chemical equipment, power equipment, welding equipment, steel equipment, metallurgical equipment, automobiles, and water treatment. We adopt advanced technology and manufacturing processes across the board. With our professional design and production technology, comprehensive product lines, excellent quality, and sales network services, we can not only provide users with timely and professional technical support but also offer high - quality one - stop services.
We have served many customers at home and abroad, and offer Anti-corrosion electronic liquid level switch sensor-LF601 Wholesale, our products are sold to countries such as Canada, the United States, Brazil, Indonesia, Vietnam, Thailand, and Russia. We welcome extensive cooperation with OEM and ODM customers.