If you need any help, please feel free to contact us
If you have any further questions, please call +86-021-37566990 or fill out the inquiry form.
Get couponsPrinciple and Features:
The SN53C series intelligent vortex flow and temperature sensor is based on the Kármán vortex street principle. The Kármán vortex street is a phenomenon observed and studied by Hungarian-American scientist von Kármán in 1911: when a fluid flows past a non-streamlined object, pairs of alternating vortices with opposite rotation directions form on both sides of the wake behind the object. These vortices are periodic and alternate, and their frequency is proportional to the fluid velocity. This is the Kármán vortex street phenomenon, and the specific relationship is Sr = f·d / V.
The vortex flowmeter utilizes this principle to determine the fluid velocity or flow rate by measuring the shedding frequency of the vortices. It features a compact size and easy configuration. With a built-in intelligent circuit, it allows free setting of upper and lower flow alarms, supports remote monitoring of real-time flow, and allows all parameters to be set on site.
It also uses a high-precision sensor for temperature measurement. The signal is processed by a rear circuit and converted into a standard industrial electrical signal for output and display. The upper and lower temperature alarms can be freely set, remote monitoring of real-time temperature is supported, and all parameters can be set on site.
| Applicable Medium | Liquid (viscosity below 3mPa·s [3cP]) | |
| Flow Range | 0.5–4 L/min | |
| Medium Temperature | 0–90℃ (non-freezing and non-condensing) | |
| Display Units | Instantaneous Flow: L/min Total Flow: L/min | |
| Accuracy | Display: ±5% Analog Output: ±3% | |
| Repeatability | ±1% | |
| Pressure Resistance | 15 bar | |
| Pressure Loss | Less than 45 KPa at maximum flow | |
| Switch Output | Output | 2 PNP or NPN outputs |
| Maximum Load Current | 80 mA | |
| Power Supply Voltage | DC 12–24V ±10% | |
| Switch Output | 0.5s / 1s / 2s | |
| Output Protection | Short-circuit protection | |
| Flow | Hysteresis mode, upper/lower limit comparison mode, total output mode, total pulse output mode selectable | |
| Temperature | Hysteresis mode, upper/lower limit comparison mode selectable | |
| Voltage Output / Current Output | Voltage Output | Voltage Output: 15V Output Impedance: 1kΩ |
| Current Output | Current Output: 420mA Maximum Load Impedance: 300Ω at DC12V, 600Ω at DC24V | |



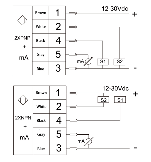
| Pin | Cable Color | Signal |
| 1 | Brown | Power Supply |
| 2 | White | Switch 2 |
| 3 | Blue | GND |
| 4 | Black | Switch 1 |
| 5 | Grey | mA / Pulse P |


| Pin | Cable Color | Signal |
| 1 | White | Flow mA |
| 2 | Brown | Power Supply + |
| 3 | Green | Temperature mA |
| 4 | Yellow | T1 Temp Switch |
| 5 | Grey | |
| 6 | Pink | |
| 7 | Blue | Power Supply − |
| 8 | Red | L1 Switch |
|
SN53C- |
A |
P |
A |
B |
T |
Description |
|
SN53C- |
|
|
|
|
|
SN53C Series Intelligent Vortex Sensor |
|
|
A |
|
|
|
|
Model A: Stainless steel with display |
|
|
A1 |
|
|
|
|
Model A1: Stainless steel without display (no switching output function) |
|
|
|
P |
|
|
|
PNP output (only for models with display) |
|
|
|
N |
|
|
|
NPN output (only for models with display) |
|
|
|
|
A |
|
|
Flow Range: 0.5–4 L/min Thread: G3/8 internal thread |
|
|
|
|
A1 |
|
|
Flow Range: 0.5–4 L/min Thread: RC3/8 internal thread |
|
|
|
|
B |
|
|
Flow Range: 2–16 L/min Thread: G1/2 internal thread |
|
|
|
|
B1 |
|
|
Flow Range: 2–16 L/min Thread: RC1/2 internal thread |
|
|
|
|
C |
|
|
Flow Range: 5–40 L/min Thread: G1/2 internal thread |
|
|
|
|
C1 |
|
|
Flow Range: 5–40 L/min Thread: RC1/2 internal thread |
|
|
|
|
D |
|
|
Flow Range: 10–100 L/min Thread: G1 internal thread |
|
|
|
|
D1 |
|
|
Flow Range: 10–100 L/min Thread: RC1 internal thread |
|
|
|
|
F |
|
|
Flow Range: 10–100 L/min Thread: G3/4 internal thread |
|
|
|
|
F1 |
|
|
Flow Range: 10–100 L/min Thread: RC3/4 internal thread |
|
|
|
|
G |
|
|
Flow Range: 20–200 L/min Thread: G1 internal thread |
|
|
|
|
G1 |
|
|
Flow Range: 20–200 L/min Thread: RC1 internal thread |
|
Available for models without display |
A |
|
1 analog 4–20 mA output (flow) |
|||
|
|
B |
|
1 analog 1–5 V output (flow) |
|||
|
|
C |
|
RS485 communication (flow) |
|||
|
|
S |
|
Flow and temperature: one 4–20 mA + one RS485 output |
|||
|
Not available for models without display |
D |
|
2 analog 4–20 mA outputs (temperature and flow) |
|||
|
|
E |
|
2 analog 1–5 V outputs (temperature and flow) |
|||
|
|
E1 |
|
Switching Output: 2 flow switch outputs Analog Output: 1 flow 4–20 mA output |
|||
|
|
E2 |
|
Switching Output: 2 flow switch outputs Analog Output: 1 flow 1–5 V output |
|||
|
|
F1 |
|
Switching Output: 1 temperature + 1 flow switch output Analog Output: 1 flow 4–20 mA output |
|||
|
|
F2 |
|
Switching Output: 1 temperature + 1 flow switch output Analog Output: 1 flow 1–5 V output |
|||
|
|
F3 |
|
Switching Output: 1 temperature + 1 flow switch output Analog Output: 1 temperature 4–20 mA output |
|||
|
|
F4 |
|
Switching Output: 1 temperature + 1 flow switch output Analog Output: 1 temperature 1–5 V output |
|||
|
|
G1 |
|
Switching Output: 1 temperature + 1 flow switch output Analog Output: 1 temperature and 1 flow 4–20 mA output |
|||
|
|
G2 |
|
Switching Output: 1 temperature + 1 flow switch output Analog Output: 1 temperature and 1 flow 1–5 V output |
|||
|
|
R1 |
|
Switching Output: 2 flow switch outputs + RS485 communication |
|||
|
|
R2 |
|
Switching Output: 2 temperature switch outputs + RS485 communication |
|||
|
|
R3 |
|
Switching Output: 1 temperature + 1 flow switch output + RS485 communication |
|||
|
Not available without temperature function |
T |
Default Temperature Range: 0–100℃ |
||||
|
|
T… |
Custom temperature range available |
||||
Shanghai Kayuan Electronic Technology Co.,Ltd is an enterprise specializing in the production and R & D of industrial sensors and controllers. Its main products include switches and sensors for flow, pressure, temperature, and liquid level. Intelligent vortex flow sensor-SN53C Suppliers in China.
In 2008, our assembly plant was established in Shanghai China,PAKU INTELLIGENT EQUIPMENT(SHANGHAI)CO.,LTD a subsidiary of Kayuan to produce the PAKU series of products. As Intelligent vortex flow sensor-SN53C Factory, PAKU products are now widely used in different industries, including automation complete sets of equipment, petroleum equipment, chemical equipment, power equipment, welding equipment, steel equipment, metallurgical equipment, automobiles, and water treatment. We adopt advanced technology and manufacturing processes across the board. With our professional design and production technology, comprehensive product lines, excellent quality, and sales network services, we can not only provide users with timely and professional technical support but also offer high - quality one - stop services.
We have served many customers at home and abroad, and offer Intelligent vortex flow sensor-SN53C Wholesale, our products are sold to countries such as Canada, the United States, Brazil, Indonesia, Vietnam, Thailand, and Russia. We welcome extensive cooperation with OEM and ODM customers.